|
Potentiometer With Switch |
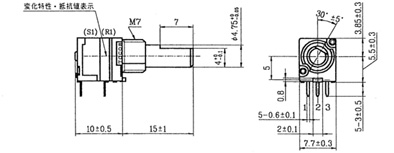
TP-7B
|
Feature
l
Small size (7mm)
l
Diecast shaft
Application
l Car audio
l Audio equipment
Specifications
|
Operating
|
-10 to 70℃ |
|
Rated
Power |
0.05W |
|
Maximum
Operating Voltage |
10V DC, 50V AC |
|
Power
ratings |
0.05W |
|
Switch |
SPST |
|
Switch
ratings |
16V DC 3A |
|
Resistance
value range |
2K〜1M Ω(Taper B) , 5〜500K Ω(Taper
A) |
|
Total
Resistance Tolerance |
+/-20% |
|
Resistance
Taper |
A, B |
|
Rotating
torque |
2.0 〜 24.5 mNm |
|
Life |
15,000 cycles |
|
Total
Rotation Angle/Travel |
300+/-5° |

